LSM×系列高壓共箱封閉型母線槽適用于額定電壓3KV~35KV,額定工作電流250A~5000A的輸配電系統。主要用于變壓器至高壓配電盤之間的電氣連接,大型廠礦的供電系統,水電站、大型變電站、火電廠、鋼鐵公司、大型企業的自備電廠中,發電機至升壓變壓器之間的電氣連接。
產品詳情

一、適用范圍
LSM×系列高壓共箱封閉型母線槽適用于額定電壓3KV~35KV,額定工作電流250A~5000A的輸配電系統。主要用于變壓器至高壓配電盤之間的電氣連接,大型廠礦的供電系統,水電站、大型變電站、火電廠、鋼鐵公司、大型企業的自備電廠中,發電機至升壓變壓器之間的電氣連接。

二、結構性能
1、外殼由非磁性鋁合金板(或弱磁鋼板)制作,維護工作量小,為全封閉、不通風型,具有抗腐蝕和良好的散熱性、接地性。其非磁性鋁質材料,可大大降低因高壓電流引發的渦流發熱現象。
2、其特殊的法蘭口設計,使較大的母線箱體能夠靈活拼接,無需彎頭,從而使母線系統的設計、安裝能夠達到程度化、標準化。
3、每節母線一般在上部都合理的設有標準檢修孔(也可根據現場要求在側面設置檢修孔),檢修人員可由此檢修孔到母線槽內部的任何位置。檢修口處采用獨特的翻邊制作工藝和高要求的法蘭口滿焊技術,使母線外殼防護等級高達IP54,在通常戶外環境下安裝,無需調整防護等級。
4、精致的制作工藝和合理的結構使母線制作后,表面光滑平整,達到戶外外殼無積水要求。必須的母線底部疏水瀉放裝置,既能有效地疏瀉母線內部積水,又能阻擋灰塵及異物的進入。
5、合理化的內部支架設計,使每相母排之間擁有最大的電氣間隙,而完全滿足客戶的最終要求。每節母線法蘭端頭處的接地端子設計,使母線系統安裝后,能夠擁有通暢的整體接地系統。
6、外殼表面噴涂無光澤油漆,顏色可根據客戶要求選定。

三、絕緣配置
LSMX系列高壓共箱封閉型母線槽的母線導體以空氣作為絕緣介質,根據不同的電匝等級,選用相應的絕緣電氣間隙(mm)。

四、主要技術參數
1、工作額定電流 250A、400A、630A、800A、1000A、1250A、1600A、2000A、2500A、3150A、4000A、5000A、6300A。
2、工作頻率50~60Hz,三相三線。
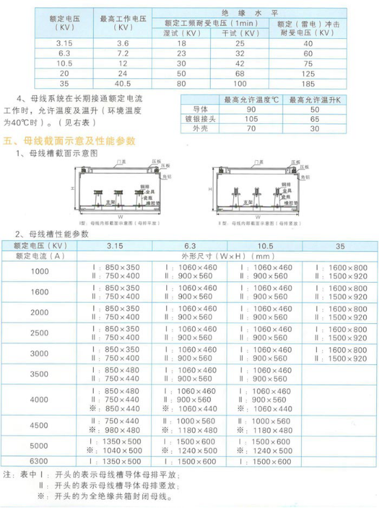
3、額定工作電壓、最高工作電壓、額定工頻耐受電壓(1min)、額定(雷電)沖擊耐受電壓。(見下表)
